物联网平台
产品介绍
YGC-YX雨雪传感器采用表面栅形电极,感应外界雨雪情况,内部采用进口智能微处理器,反应灵敏、测量精度高。可选内置自动加热装置可排除雨雪附着的干扰,保障系统的正常运行。输出一组继电器常开/常闭开关信号,方便安装使用,也可选择RS485信号输出。本产品可广泛用于气象、海洋、环境、机场、港口、实验室、工农业及交通等领域的雨雪有无定性测量。
技术参数
| 测量范围 | 雨、雪有无 | |
| 供电和输出信号 | □DC12V,开关量,带加热 | |
| □DC10-30V,RS485 | ||
| □DC10-30V,RS485,带加热 | ||
| □DC10-30V,RS485 + 开关量 | ||
| □DC10-30V,RS485 + 开关量,带加热 | ||
| 线长 | □ 标配:2.5米 □ 其他: | |
| 负载能力(触点容量) | 3A ,250VAC/30VDC | |
| 工作环境 | 温度-20℃~60℃;湿度0-80%RH | |
| 防护等级 | IP68 | |
| 线缆等级 | 300V / 80℃ | |
| 产品重量 | 180g | |
| 产品功耗 | 单开关量 ≤ 0.4W,加热时≤ 1.5W | |
| 带RS485 ≤ 0.4W,加热时≤ 2.4W | ||
| RS485带加热启动环境温度:<15℃(默认) | ||
接线方法
(1)若传感器配备本公司仪表,直接使用传感器线将传感器与仪表上的相应接口相连即可。
(2)若单独购买传感器,线序分别为:
| 线颜色 | 输出信号 | |
| 单开关量 | RS485 + 开关量 | |
| 红 | 电源正 | |
| 绿 | 电源负 | |
| 黑 | 开关量触点 | 485A |
| 黄 | 开关量触点 | 485B |
| 棕 | 开关量触点 | |
| 白 | 开关量触点 | |
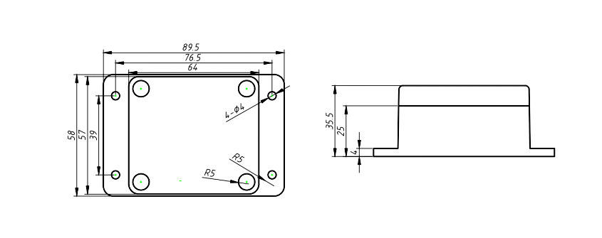
结构尺寸图

安装说明
1、如下图所示,使感应器感应面与水平面保持约15°(以防雨、雪的堆积对感应器测量造成影响),将传感器固定在安装座上;
2、产品带有加热功能,可以将多余水分蒸发,减少积雨,积雪造成的干扰。

产品选型
| 型号 | 供电 | 输出 | 说明 |
| YGC-YX | 光电式总辐射传感器 | ||
| 12V | DC12V供电 | ||
| KV | DC10-30V供电 | ||
| J | 开关量信号 | ||
| W2 | RS485信号 | ||
| W2J | RS485 + 开关量信号 | ||
|
例如:YGC-YX-KV-W2J 雨雪有无传感器,DC10-30V供电,RS485和开关量同时输出。 |
|||
联系我们
全国销售热线:400-810-0872
企业总机:027-87915379
售后服务:027-87915379-806 手机:18086618589
网 址:http://www.yigood.net
地 址:湖北省武汉市东湖高新技术开发区葛洲坝太阳城工业园区4栋301、303室
邮 编:430000

欢迎扫码加微信客服咨询问题或是采购需求;

扫描二维码立刻查看/下载产品说明书

您可以在PC端或手机上直接查看设备监测数据;