物联网平台
产品介绍
YGC-FSFX一体风速风向传感器是风速风向传感器的高度集成品,采用铝合金精密机械加工件装配,强度高,安装更方便,特有风向方位调整装置,方便各种复杂情况下的快速调整,解决传统风向程序校准繁琐的问题。
其中风速部分采用传统三风杯结构,风杯选用进口ABS材料,强度高,启动好;精密信号处理单元可根据用户需求输出各种信号,量程大、线性好、观测方便、稳定可靠。风向部分是用于测量风的水平风向的专业气象仪器,其内部采用精密角度传感器,并采用低惯性风向标响应风向,当风向发生变化,尾翼转动通过轴杆带动电位器轴芯转动,从而在电位器的活动端产生变化的电压信号输出,线性好、精度高、无死角、观测方便、稳定可靠。可广泛用于气象、海洋、环境、机场、港口、实验室、工农业及交通等领域。
计算公式
技术参数
| YGC-FSFX一体风速风向传感器 | ||||
| 测量范围 | 风速 | 0~45m/s(电流、电压输出) | 0~70m/s(脉冲、485、232输出) | |
| 风向 | 0-359° | |||
| 供电方式 | DC 5V | DC12V | DC24V | |
| 输出信号 | 风速脉冲 | □ 脉冲:高5V低0V电平信号(默认NPNR □PNP) | ||
| 电流 | 4~20mA | |||
| 电压 | 0~2.5V | 0~5V | 1~5V | |
| 串口 | RS485(□默认Modbus □ASCII) | RS232(□默认Modbus □ASCII) | ||
| 线长 | 标配:2.5米 | 可加长: | ||
| 准确度 | 风速:±(0.3+0.03V)m/s(V代表实时风速值) | 风向:±3° | ||
| 分辨率 | 风速:0.1m/s | 风向:1° | ||
| 启动风速 | ≤0.5m/s | |||
| 工作环境 | 温度-20℃~60℃;湿度≤100%RH无凝露; | |||
| 防护等级 | IP53 | |||
| 线缆等级 | 额定电压:300V 80℃ | |||
| 功 耗 | 约为250 mW(视具体型号而异) | |||
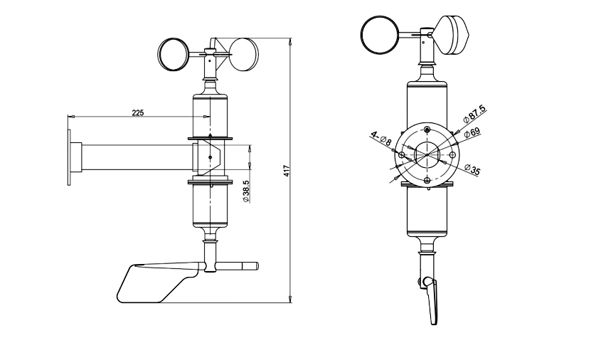
结构尺寸图

关于传感器通讯协议的说明
一、如果您是使用单个传感器接电脑直接读取数据,建议选用公司私有协议,可以以ASCII码直观显示数据(hex发送,非hex接收);
二、如果您是多传感器互联接PLC、组态或接可编程采集仪,建议选用标准ModBus-RTU协议,hex发送和接收)。
三、如无特殊要求,传感器参数中的设备地址默认为1、波特率=9600、协议为ModBus-RTU。
安装说明
产品选型
| 型号 | 供电 | 输出 | 说明 |
| YGC-FSFX | 一体风速风向传感器 | ||
| 5V | 5V供电 | ||
| 12V | 12V供电 | ||
| 24V | 24V供电 | ||
| V | 0-5V | ||
| V1 | 1-5V | ||
| V2 | 0-2.5V | ||
| A1 | 4-20mA | ||
| A2 | 0-20mA | ||
| W1 | RS232(默认Modbus协议 )ACSII协议可选 | ||
| W2 | RS485(默认Modbus协议 )ACSII协议可选 | ||
| M | 脉冲(仅限风速部分) | ||
| 例:YGC-FSFX-5V-V 风速传感器,5V供电,0-5V输出;风向传感器,5V供电,0-5V输出 | |||
附件
16方位风向图
由于风向是朝下使用的,所以风向传感器输出值与方位对应关系为逆时针增大,具体如下图:
风力(风速)等级表
| 等级 | 名称 | 陆地地面物体特征 | 风速(米/秒) |
| 0 | 无风 | 静,烟直上 | 0~0.2 |
| 1 | 软风 | 烟能表示风向,树叶略有摇动 | 0.3~1.5 |
| 2 | 轻风 | 人面感觉有风,树叶微动 | 1.6~3.3 |
| 3 | 微风 | 树叶及小枝摇动不息,旗子展开,高的草摇动不息 | 3.4~5.4 |
| 4 | 和风 | 能吹起地面灰尘和纸张,树枝动摇,高的草呈波浪起伏 | 5.5~7.9 |
| 5 | 清劲风 | 有叶的小树摇摆,内陆的水面有小波,高的草波浪起伏明显 | 8.0~10.7 |
| 6 | 强风 | 大树枝摇动,电线呼呼有声,撑伞困难,高的草不时倾伏于地 | 10.8~13.8 |
| 7 | 疾风 | 全树摇动,大树枝弯下来,迎风步行感觉不便 | 13.9~17.l |
| 8 | 大风 | 可折毁小树枝,人迎风前行阻力很大 | 17.2~20.7 |
| 9 | 烈风 | 草房遭受破坏,屋瓦被掀起,大树枝可折断。 | 20.8~24.4 |
| 10 | 狂风 | 树木可被吹倒,一般建筑物遭破坏 | 24.5~28.4 |
| 11 | 暴风 | 大树可被吹倒,一般建筑物遭严重破坏 | 28.5~32.6 |
| 12 | 飓风 | 陆上绝少,其摧毁力极大 | >32.6 |
保修说明
一年保修(收货日起计算);超过保修期收取维修费和材料费。
联系我们
全国销售热线:400-810-0872
企业总机:027-87915379
售后服务:027-87915379-806 手机:18086618589
企业官网:www.yigood.net
地 址:湖北省武汉市东湖高新技术开发区葛洲坝太阳城工业园区4栋301、303室
邮 编:430000

欢迎扫码加微信客服咨询问题或是采购需求;

扫描二维码立刻查看/下载产品说明书

您可以在PC端或手机上直接查看设备监测数据;