物联网平台
产品介绍
YG-CSYT防爆款超声波环境监测站,是专为易燃易爆环境设计的高安全性气象环境监测设备,适用于石油化工、天然气、煤矿、油库、电力等危险场所。产品通过防爆认证,可在爆炸性气体环境中稳定运行,实时监测气象环境参数并保障安全生产。
传感器选用更为精准的200Khz超声波探头,风速风向数值测量更精准,更稳定。同时探头具有较强的耐盐雾腐蚀能力,全密封结构,经过相关盐雾等级试验,效果良好,适用于炼油厂、化工厂区可燃气体环境监测。
数据采集传输仪具有数据采集、触屏显示、大容量数据存储/导出、 数据分析、北斗/GPS 双模定位功能,以及远程固件升级、本地固件升级、低功耗管理、防盗窃功能,可选多种数据传输方式(4G 通信、RJ45、RS485)。该数据采集终端配置灵活,支持测量要素定制,根据客户需求定制多种测量监测方案,满足客户绝大部分需求。
产品特点
技术参数
|
选配环境要素 |
量程 |
准确度 |
分辨率 |
功耗 |
|
风速 |
0-70m/s |
启动风速≤0.8m/s, ±(0.5+0.02rdg)m/s; |
0.01m/s |
0.1W |
|
风向 |
0~360 |
±3° |
1° |
|
|
大气温度 |
-40~80℃ |
±0.3℃ |
0.1℃ |
1mW |
|
大气湿度 |
0~100%RH |
±5%RH |
0.1%RH |
|
|
大气压力 |
300~1100hPa |
±1 hPa(25℃) |
0.1 hPa |
0.1mW |
|
雨量强度 |
测量范围:0~4mm/min |
±10%(室内静态测试,雨强为2mm/min)带日雨量累计 |
0.03mm/min |
240mW |
|
光照度 |
0~200000Lux(室外) |
±4% |
1 Lux |
0.1mW |
|
太阳总辐射 |
0~1500 W/m2 |
±3% |
1W/m2 |
400mW |
|
CO2 |
0~5000ppm |
±(50ppm+5%rdg) |
1ppm |
100mW |
|
噪声 |
30~130dB(A) |
±3dB(A) |
0.1 dB(A) |
|
|
PM2.5/10 |
0~500μg/m3 |
≤100ug/m3:±10ug/m3; >100ug/m3:±10%读数(以TSI 8530校准,25±2℃,50±10%RH环境条件) |
1μg/m3 |
0.5W |
|
PM100 |
0~20000ug/m3 |
±30ug/m3±20% |
1μg/m3 |
0.5W |
|
四气( CO、NO2、SO2、O3) |
CO(0~1000ppm) NO2(0~20ppm) SO2(0~20ppm) O3(0~10ppm) |
≤读数的±3%(25℃) |
CO(0.1ppm) NO2(0.01ppm) SO2(0.01ppm) O3(0.01ppm) |
0.2W |
|
电子罗盘 |
0~360 |
±5° |
1° |
100mW |
|
GPS |
经度 (-180~180°) 纬度 (-90~90°) 海拔(-500~9000m) |
≤10米 ≤10米 ≤3米 |
0.1秒 0.1秒 1米 |
|
|
总功耗 = 选配传感器功耗 + 主板基础功耗 |
主板基础功耗 |
300mW |
||
|
该配置表包含了所有参数,实际配置以下单为准。 |
||||
采集仪技术参数
|
功能选项 |
技术参数 |
备注 |
|
设备供电 |
范围:9V~30V,功耗≤3W(常规产品) |
可定制满足低功耗需求 |
|
屏幕显示 |
4.3英寸彩色触摸屏 |
|
|
数据存储 |
①内置128MBit FLASH芯片存储,支持MicroSD卡存储,容量最高可达32G; ②存储间隔可设置,最小为1秒钟; |
内置FLASH存储和MicroSD卡存储自动切换 |
|
数据上传 |
上传间隔最小为10秒钟 |
|
|
数据查询 |
①端网页(需联网); ②手机小程序(需联网); ③触屏显示; |
|
|
数据导出 |
支持U盘导出数据,Excel可直接对导出的数据文件进行编辑 |
|
|
测量要素 |
最高可达32路测量要素 |
|
|
通讯方式 |
无线:4G(Cat-1)(选配,双卡单待); 有线:RS485和RJ45(选配); |
|
|
通信协议 |
标准ModBus协议、MQTT协议,我司私有协议 |
可根据客户需求定制协议 |
|
固件升级 |
①本地U盘升级; ②本地RS485串口升级; ③远程4G升级; |
|
|
工作环境 |
温度-20℃ ~ 60℃,湿度0~100%RH |
|
|
产品重量 |
1.2Kg |
|
|
产品尺寸 |
长238mm × 宽155mm × 高55mm |
|
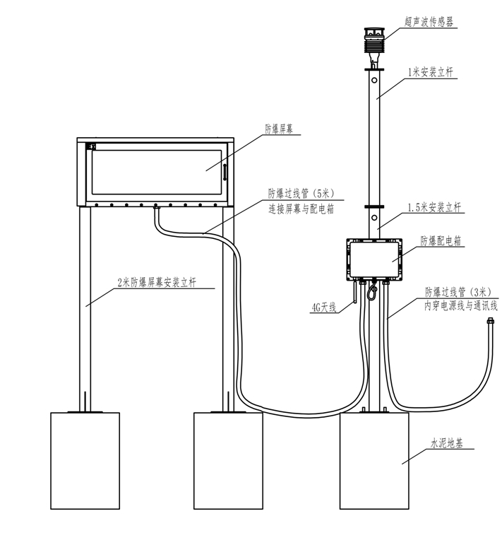
设备结构及尺寸

工程案例


保修说明
一年保修(收货日起计算);超过保修期收取维修费和材料费。
联系我们
全国销售热线:400-810-0872
企业总机:027-87915379
售后服务:027-87915379-806 手机:18086618589
地址:湖北省武汉市东湖高新技术开发区葛洲坝太阳城工业园区4栋301、303室
邮编:430000

欢迎扫码加微信客服咨询问题或是采购需求;

扫描二维码立刻查看/下载产品说明书

您可以在PC端或手机上直接查看设备监测数据;